Эскизы потолков из гипсокартона - современные тенденции
Гипсокартон пользуется у строителей популярностью благодаря своей универсальности. Этот материал используют для различных целей. Широко применяют его листы для создания подвесных потолков. Варианты оформления потолка гипсокартоном не ограничены – с помощью этого материала можно создавать самые различные конструкции. Кроме того, гипсокартонные конструкции обходятся гораздо дешевле, чем подвесные потолочные системы из других материалов.

Могут быть абсолютно разной формы потолки из гипсокартона - идеи следует продумать заранее, чтобы определиться с количеством уровней и дизайном. Затем нужно сделать эскиз на бумаге, изобразив именно тот вариант, который должен получиться в конечном итоге.
Эскизы гипсокартонных потолков
Эскизы потолков из гипсокартона могут создаваться несколькими способами. Это:
- самостоятельная разработка дизайна конструкции;
- идеи потолков из гипсокартона подбирают специалисты;
- поиск готового примера.
Если дизайн потолка будет создаваться самостоятельно, то нужно уметь рисовать и представлять себе, что такое объемное изображение. Подбор рисунка на потолок из гипсокартона – это еще далеко не все, ведь по изображению, нанесенному на бумагу, мастера должны понять, какую именно потолочную конструкцию им создавать. Поэтому без умения рисовать делать эскизы потолков из гипсокартона не имеет смысла.
Из рисунка на бумаге должно быть понятно, как будет выглядеть потолочная конструкция после завершения работы. Некоторым людям достаточно обычных прямых линий, а другим нужны волны, плавные изгибы и даже объемные изображения (например, цветка). Иногда делают потолки, разделенные на отдельные сектора – с помощью такой конструкции можно зрительно поделить помещение на функциональные зоны и организовать в каждой из них особое освещение или выполнить ее в своем цвете. Для создания освещения также подбирают лампочки разных оттенков. В результате получается яркая, разноцветная потолочная конструкция. Иначе говоря, дизайн многоуровневых потолков бывает различным – можно посмотреть на фото, чтобы убедиться в разнообразии решений.

Таким образом, идеи для потолка из гипсокартона ничем не ограничены – все зависит от фантазии человека. Некоторые даже создают потолочные конструкции, которые могут претендовать на звание произведений искусства. Для оформления потолков также используют обои и прочие подручные средства. Главное: подобрать дизайн конструкции таким образом, чтобы он подходил к интерьеру всего помещения и выглядел гармонично в сочетании с окружающей обстановкой.
Не будет лишним посмотреть образцы гипсокартонных потолков в специализированных журналах, в интернете, если нет желания придумывать что-то свое или же нет возможности выразить свой замысел на бумаге. Иногда клиенты заказывают потолочные конструкции, которые они увидели у своих знакомых или родственников.

Специалисты, занимающиеся дизайном, могут предложить различные варианты оформления потолков из гипсокартона. При этом они учтут особенности помещения, интерьер, окружающую обстановку. В этом случае можно не сомневаться, что эскиз будет выполнен грамотно, и строители легко смогут воплотить задумку в жизнь. Кроме того, дизайн потолка, предложенный специалистом, обязательно подойдет к интерьеру помещения, и вся обстановка будет выглядеть гармонично.
Особенности создания эскиза
Несмотря на то, что существуют различные виды потолка из гипсокартона, у всех есть общие характеристики. Их необходимо учитывать, создавая эскиз потолочной конструкции.
Прежде всего, нужно знать, что подвесные потолки уменьшают высоту помещения. Так, при создании первого уровня забирается около 6 сантиметров высоты, а когда делают второй уровень, то плоскость опускается еще примерно на 10 сантиметров. Если потолок идеально ровный, то тогда функцию первого яруса выполняет старое покрытие. Таким образом, все виды потолков гипсокартонных снижают высоту помещения. Поэтому подвесные системы – не самое лучшее решение для квартир с низкими стенами.
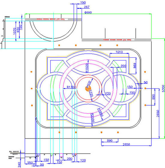
Не следует забывать про светильники – их расположение и тип следует продумать заранее. При зарисовке эскиза обязательно отмечают места, где будут находиться осветительные приборы. Подробности указываются на техническом плане. Также отмечают места, где будут находиться профили для каркаса гипсокартонного потолка и подвесы, не забывая про размеры деталей.

Несмотря на то, что существуют разные варианты потолка из гипсокартона, есть и модные тенденции. В настоящее время часто заказывают конструкции, для декора которых используются ломаные линии, волнообразные сегменты, абстракции. Гипсокартон позволяет воплощать в реальность любые дизайнерские идеи благодаря возможности придавать ему любую форму. Однако, продумывая дизайн потолка, надо помнить о том, что каждый уровень забирает все больше высоты помещения.